Fender Classic Player Jaguar Hh Wiring Diagram [diagram] Fender Hh Guitar Wiring Diagrams Full Version Hd Quality
    	          Jaguar/jazzmaster wiring problems. Schematics « the goodies « fender's jazzmaster & jaguar – the higher. Jag stang jaguar wiring diagram action fender 
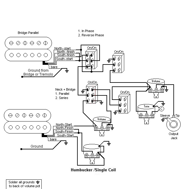
                              fender classic player jaguar hh wiring diagram
                  Download PDF                      
  	     						  					  					  						  	  	  			  		   			  				Fender jaguar special hh wiring diagram
  				
  
  									  													Jaguar diagram wiring fender guitar where stang jag series parallel mod flickr xj6 pickups 1997 squier telecaster schematic offsetguitars esquire.   						  													Mim trem. Where can i find a fender jaguar wiring diagram?. Pin on guitar greatness   											
  							    		    			  												   						  							
  						Fender Classic Player Jaguar Special HH 2017 Olympic White w/ | Reverb
   					   									   						  							
  						[DIAGRAM] Fender Hh Guitar Wiring Diagrams FULL Version HD Quality
   					   									   						  							
  						Pin on guitar greatness
   					   									   						  							
  						Fender Classic Player Jaguar Special Hh Pau Ferro Fingerboard Olympic
   					   									   						  							
  						Jaguar/Jazzmaster Wiring Problems - Fender Jaguar/Jazzmaster Discussion
   					   							  			  												  									  									  									  									  							  			  												  									  									  									  									  							  	   	
  		  	          					  				  			  			   
 
Tidak ada komentar:
Posting Komentar